Motorky BMW GS - vše o motocyklech BMW řady GS a o cestování na nich
Motorky BMW GS - vše o motocyklech BMW řady GS a o cestování
  • · BMW GS
  • · Fórum
  • · Články
  • · Zprávy
  • · Galerie
  • · Naše fotografie
  • · Odkazy
  • · Ke stažení
  • · Inzerce
  • · Hledat
Reklama
Kalendář akcí
<< Duben 2026 >>
Po Út St Čt Pá So Ne
    1 2 3 4 5
6 7 8 9 10 11 12
13 14 15 16 17 18 19
20 21 22 23 24 25 26
27 28 29 30      
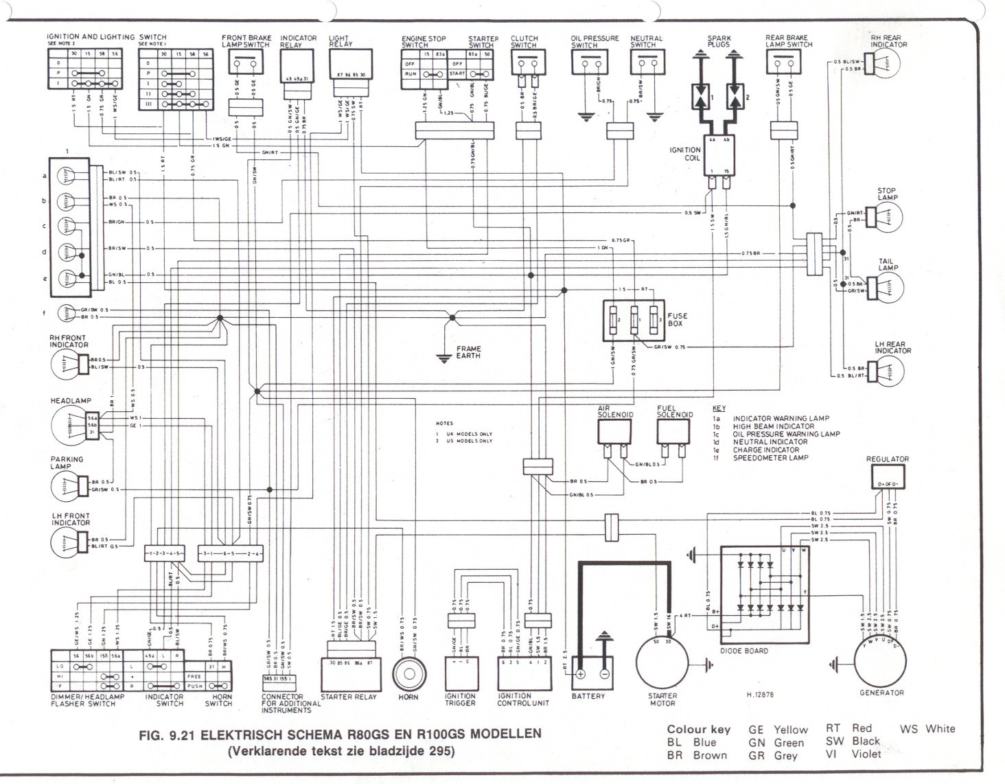
Ke stažení: BMW R 80 - 100 GS
R 80 - 100 GS - eletrické schéma
Licence: O/S: Verze:
Přidané: 10.12.2006 20:01 Stažené: 1914 Stáhnout (0.274)
R65 - R100 R-RT-RS-GS Maintenance Schedule
Licence: O/S: Verze:
Přidané: 10.12.2006 20:12 Stažené: 2991 Stáhnout (0.038)
Servisní manuál pro staré dvouventily
Licence: O/S: Verze:
Přidané: 18.12.2007 07:08 Stažené: 2118 Stáhnout ()
Katalog doplňků Wunderlich pro R80/100GS
Licence: O/S: Verze:
Přidané: 18.12.2007 07:11 Stažené: 1733 Stáhnout ()
Katalog doplňků Hornich pro R80/100GS
Licence: O/S: Verze:
Přidané: 18.12.2007 07:11 Stažené: 1636 Stáhnout ()
Katalog doplňků STARK pro R80/100GS
Licence: O/S: Verze:
Přidané: 18.12.2007 07:12 Stažené: 1676 Stáhnout ()
Katalog doplňků HPN pro R80/100GS
Licence: O/S: Verze:
Přidané: 18.12.2007 07:14 Stažené: 1629 Stáhnout ()
Katalog doplňků Siebenrock pro R80/100GS
Licence: O/S: Verze:
Přidané: 18.12.2007 07:14 Stažené: 1673 Stáhnout ()
Katalog doplňků Scherb pro R80/100GS
Licence: O/S: Verze:
Přidané: 18.12.2007 07:15 Stažené: 1698 Stáhnout ()
Přihlášení
Jméno

Heslo



Zaregistrovat se
Zaslat zapomenuté heslo
Kdo je on-line
Hosté on-line: 205
Členové on-line: 1
alzheimer

Registrováno: 8,792
Nejnovější člen: angelinos73

Poslední návštěvy
Reklama
Vygenerované za: 0.03 sekund
Copyright © 2006 BAWORAK.CZ | Kontakt | Časté dotazy | Pravidla portálu | Hosting poskytuje CGI