Motorky BMW GS - vše o motocyklech BMW řady GS a o cestování na nich
Motorky BMW GS - vše o motocyklech BMW řady GS a o cestování
  • · BMW GS
  • · Fórum
  • · Články
  • · Zprávy
  • · Galerie
  • · Naše fotografie
  • · Odkazy
  • · Ke stažení
  • · Inzerce
  • · Hledat
Reklama
Kalendář akcí
<< Listopad 2025 >>
Po Út St Čt Pá So Ne
          1 2
3 4 5 6 7 8 9
10 11 12 13 14 15 16
17 18 19 20 21 22 23
24 25 26 27 28 29 30
Číst diskusi
Motorky BMW GS - vše o motocyklech BMW řady GS a o cestování :: Motorky BMW :: BMW R850GS, R1100GS, R1150GS a R1150GS Adventure
 
Nastavení sklonu páček brzdy a spojky
Patrik Dobrichovice
#1 
Přidané 30.01.2010 18:11

Příspěvků: 96
Registrace: 18.12.09
Před nedávnem jsem si pořídil své první 1150 a jsem nadšený
i když počasí nám moc nepřeje. Takže neustále obcházím
okolo a okukuji, hledám mouchy a kochám se. Mám dotaz jak
se dá nastavit sklon páček spojky a brzdy. Každou mám v dost
odlišné poloze a obávám se že to možná ani nelze. Objímky jsou
přišroubovány k řídítkům, je tedy možné že bych měl řídítka
nějak ohnutá(zbastlená pro prodej). Možná se ptám na banalitu,
ale jsem laik a nerad bych něco po....il.
 
FRN
#2 
Nastavení sklonu páček brzdy a spojky
Přidané 30.01.2010 18:32
Avatar člena


Příspěvků: 456
Registrace: 24.03.09
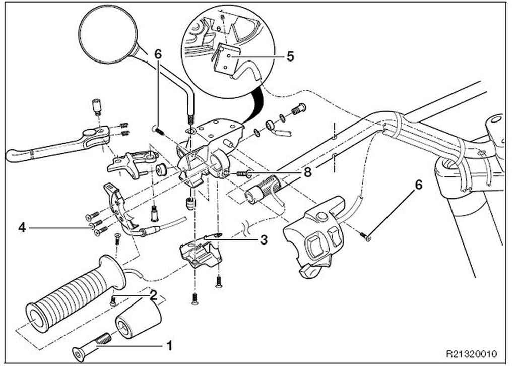
Já osobně sem to nikdy nedělal,nastavení mi vyhovuje. Ale určitě to lze...snad ti pomůžou přiložené obrázky.
FRN přiložený následující obrázek:


[31.39Kb]
 
FRN
#3 
Nastavení sklonu páček brzdy a spojky
Přidané 30.01.2010 18:32
Avatar člena


Příspěvků: 456
Registrace: 24.03.09
obr.2
FRN přiložený následující obrázek:


[53.78Kb]
 
FRN
#4 
Nastavení sklonu páček brzdy a spojky
Přidané 30.01.2010 18:34
Avatar člena


Příspěvků: 456
Registrace: 24.03.09
U obr.1 je to šroub 12 a u obr.2 šroub 19 jestli se nepletu.
 
Patrik Dobrichovice
#5 
Nastavení sklonu páček brzdy a spojky
Přidané 30.01.2010 19:02

Příspěvků: 96
Registrace: 18.12.09
Díky za info, jen si nejsem jist jestli to mám stejné. Je to 1150
´03 s abs. Když jsem vyndal veškerý možný šrouby okolo ovla-
dačů(blinkry,klakson,startér), ty plasty nechtěly dolů. Asi bych
měl použít více síly!?!?Mám strach!
 
motoblb
#6 
Nastavení sklonu páček brzdy a spojky
Přidané 30.01.2010 19:07

Příspěvků: 364
Registrace: 10.10.09
No kladivo do ruky neber,mělo by to jít lehce rozebratWink
 
mara
#7 
Nastavení sklonu páček brzdy a spojky
Přidané 30.01.2010 19:39
Avatar člena


Příspěvků: 3169
Registrace: 05.03.08
pokud chceš to, co si myslím, otočit páčky okolo osy řídítek, tak vyšroubuj "6", odklop panel s vypínačema, povol "8" nastav, utáhni "8" a slož vše zpět.
Pokusím se o obrázekSmile
mara přiložený následující obrázek:


[57.5Kb]
Mařa & BMW R 1150 GS Adventure
http://marags.raj...
http://www.youtub...marekondra
 
Tonda
#8 
Nastavení sklonu páček brzdy a spojky
Přidané 30.01.2010 20:16

Příspěvků: 5260
Registrace: 16.02.07
Je to tak jak píše Mara. Musíš se jak u spojky, tak u brzdy dostat pod ovladače. Ty šroubky jsou pěkně "zašitý" za tyčkama zrcátekWinkCool
 
http://tonda1200.rajce.idnes.cz/Dilna/
Patrik Dobrichovice
#9 
Nastavení sklonu páček brzdy a spojky
Přidané 30.01.2010 20:22

Příspěvků: 96
Registrace: 18.12.09
Mockrát díky, to snad bude ono, bohužel se k tomu dostanu až
v pondělí. Jen pořád nevím, na říditkách mám návarky, kterými
jsou šrouby chyceny v podstatě hefty a páčky. Na žádném z tě-
chto obrázků to není vidět.
 
mara
#10 
Nastavení sklonu páček brzdy a spojky
Přidané 30.01.2010 21:30
Avatar člena


Příspěvků: 3169
Registrace: 05.03.08
ty navařený "ouška" na řídítku a k nim přišroubovaný trubky s páčkama a heftama s tím, co potřebuješ udělat nemají nic společnýho.
Tonda správně píše o zrcátku, to se musí tuším demontovat. Ale už si nejsem jistej, prostě hledej dva malé šroubky, pozice "6"
Ku podivu jde celkem snadno nastrkat tu kabeláž od spínačů zpět do "domečku" páčky, toho jsem se původně bál ale jde to.thumbs up
Upravil mara dne 30.01.2010 21:31
Mařa & BMW R 1150 GS Adventure
http://marags.raj...
http://www.youtub...marekondra
 
mara
#11 
Nastavení sklonu páček brzdy a spojky
Přidané 30.01.2010 21:40
Avatar člena


Příspěvků: 3169
Registrace: 05.03.08
Jo a pokud budeš mít touhu sklopit páčky hodně dolu, kvůli jízdě ve stupačkách, BACHA na to, aby ti při takové poloze nádobek, ojetých brzdových deskách (úbytek brzdovky) a plném rejdu, kdy řídítko změní sklon nechyběla kapalina a nezavzdušnilo se to.
Podle mě by se to stát nemělo ale chyrá knížka od BMW říká "nanatáčet páčky"
Já je natočený, díky přizvednutí řídítek ve třmenech mám a nic se nestalo.

Mařa & BMW R 1150 GS Adventure
http://marags.raj...
http://www.youtub...marekondra
 
Patrik Dobrichovice
#12 
Nastavení sklonu páček brzdy a spojky
Přidané 30.01.2010 23:26

Příspěvků: 96
Registrace: 18.12.09
Ještě jednou díky, myslím že bych to měl už dát do kupy.
 
Patrik Dobrichovice
#13 
Nastavení sklonu páček brzdy a spojky
Přidané 01.02.2010 18:19

Příspěvků: 96
Registrace: 18.12.09
lol A je to!! Ani jsem nic neutrhl, nic neprasklo.Téměř podle schéma plus ještě jeden šroub zespoda krytky. Díky!
 
motoblb
#14 
Nastavení sklonu páček brzdy a spojky
Přidané 01.02.2010 20:10

Příspěvků: 364
Registrace: 10.10.09
Patroz napsal(a):
lol A je to!! Ani jsem nic neutrhl, nic neprasklo.Téměř podle schéma plus ještě jeden šroub zespoda krytky. Díky!
šikulaclap
 
vonKarlos
#15 
Nastavení sklonu páček brzdy a spojky
Přidané 28.08.2019 08:15

Příspěvků: 17
Registrace: 09.06.19
Ahoj, nechci zakládat nové téma tak se zeptám zde: Dá se upravit sklon na nožní zadní brzdě? DíkyWink
 
zdenekkkkk
#16 
Nastavení sklonu páček brzdy a spojky
Přidané 28.08.2019 18:25

Příspěvků: 229
Registrace: 18.07.15
vonKarlos napsal:
Ahoj, nechci zakládat nové téma tak se zeptám zde: Dá se upravit sklon na nožní zadní brzdě? DíkyWink


Ano dá. Na konci brzdy je tycka(sroub ) kterym se steluje, jde do pumpy za krytkou u prave stupacky. Ale pokud to budes mit jak ja tak bud budes muset udelat tu tycku (sroub ) co jde do pumpy novy - delší a nebo koupit. Vůbec se nemusíš bat ho vytahnout z te gumove manzety a eventuelne si delší udelat.
Upravil zdenekkkkk dne 28.08.2019 18:25
 
Přejít na fórum:
Motorky BMW GS - diskuse :: Motorky BMW :: BMW R850GS, R1100GS, R1150GS a R1150GS Adventure :: Více v diskusním fóru
Přihlášení
Jméno

Heslo



Zaregistrovat se
Zaslat zapomenuté heslo
Kdo je on-line
Hosté on-line: 101
Členové on-line: 0

Registrováno: 8,750
Nejnovější člen: NacMacFigl

Poslední návštěvy
Reklama
Vygenerované za: 0.29 sekund
Copyright © 2006 BAWORAK.CZ | Kontakt | Časté dotazy | Pravidla portálu | Hosting poskytuje CGI